
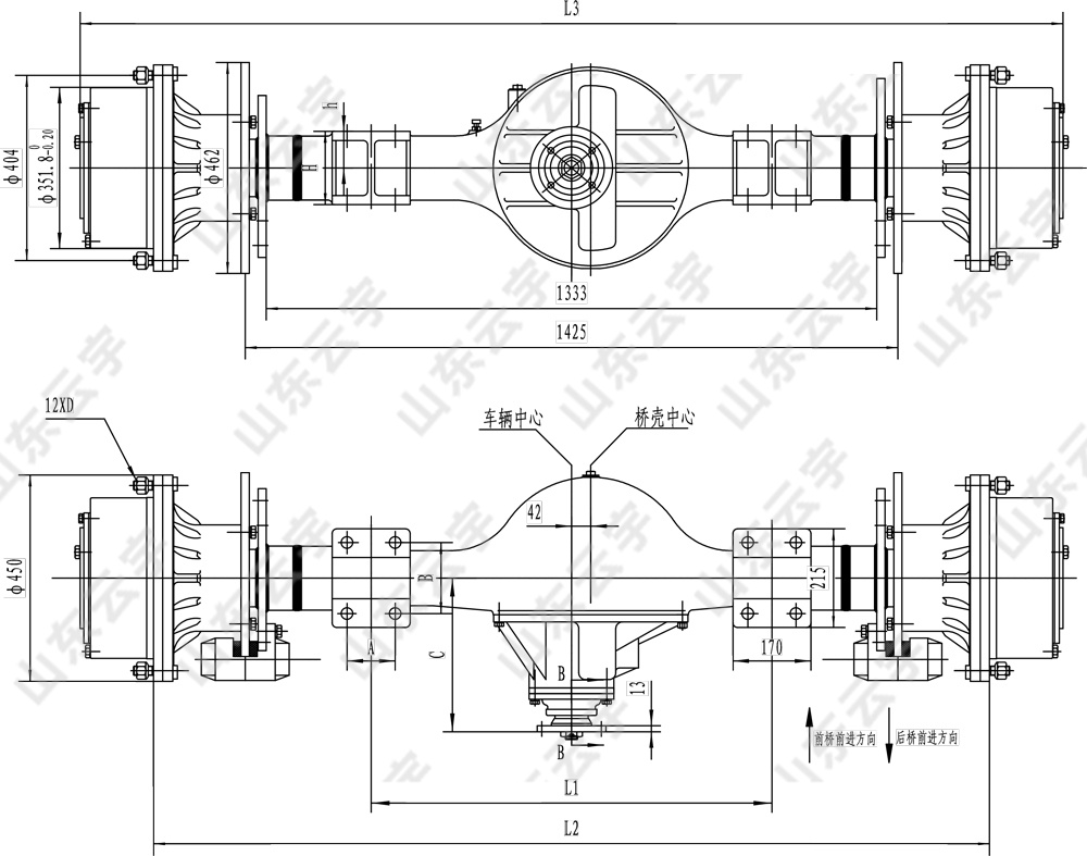
Connection dimensions | |||||||||||
Model | L1 | L2 | L3 | A | B | C | D | H | h | flange | Rotation direction(front) |
ZL30 | 875 | 1825 | 2146 | 105 | 155 | 336 | M20×1.5 | 150 | 75 | Round flange | Ananti clockwise |
ZL30(1) | 875 | 1825 | 2146 | 105 | 155 | 336 | M20×1.5 | 150 | 75 | Round flange | Clockwise |
ZL30(2) | 865 | 1825 | 2146 | 95 | 160 | 330 | M20×1.5 | 175 | 100 | Square Flange | Clockwise |
ZL30(3) | 865 | 1825 | 2146 | 95 | 160 | 330 | M22×1.5 | 190 | 100 | Square Flange | Ananti clockwise |
ZL30(4) | 865 | 1825 | 2146 | 95 | 160 | 330 | M22×1.5 | 190 | 90 | Square Flange | Ananti clockwise |
ZL30(5) | 865 | 1825 | 2146 | 95 | 160 | 330 | M22×1.5 | 180 | 90 | Square Flange | Ananti clockwise |
ZL30(6) | 960 | 1825 | 2146 | 100/140 | 160 | 336 | M22×1.5 | 180 | 90 | Square Flange | Ananti clockwise |
● Two-stage decelerating structure is adopted for drvve axle. ● Spiral bevel gears with great bearing capacity and high efficiency are adopted for main drive. ● The wheel is planetary decelerating structure. ● The main reducer is equipped with the common bevel-gear differential mechanism with simple structure and flexible differential function. ● Cast steel with adequate rigidity serves as material for the axle housing. ● The brake in clamp-cisc braking mode has great braking moment. ● Suitable for ZL30 loader and 14-18T road roller. |
Technical parameters | ||||||||||
Main transmission ratio | Transmission ratio at wheel | Total transmission ratio | Axle load | Input torque | Clamp-disc type brake | |||||
Cylinder mumbers | Cylinder diameter | Braking oil pressure | oil inlet | Braking radius | Braking moment | |||||
4.222 | 4.8 | 20.26 | 18500kg | 2300N.m | 4 | 75 | 9.8MPa | M12×1.25 | 186 | 9660n.m/pce |